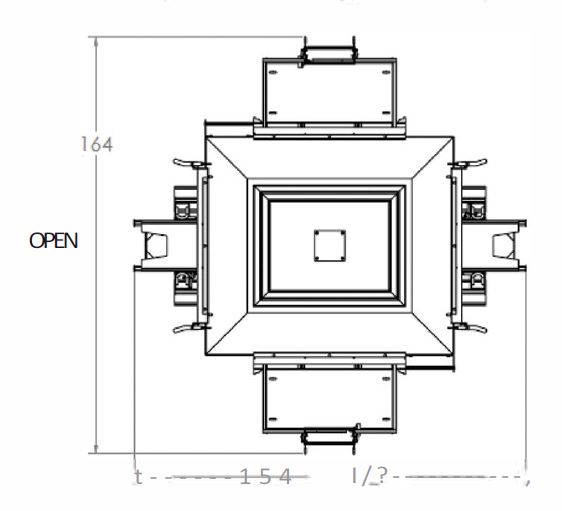
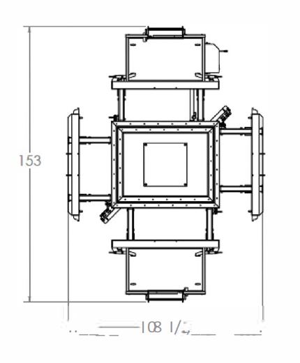
Previous-Style Box Forms
 
           
           
          NextGen Form Set Features
- Same form quality/life span using approx. 25% less steel.
- Streamlined design reduces floor space needed by approx. 35%
- Approx. 16″ shorter in height
Core
- Bolt-down core top with bolt-on access panel
- Open/Close indicators
- SmartConnect® Hydraulic System
- Adjustable reversible groove/tongue forming pallet
- Adjustable pallet support stool with receiver cups for 4 x 4 lumber.
 (Standard round pipe legs can be added)
- Tongue header, open top
Form
- Roll-Back, open/close form panels
- V-Groove wheels with sealed roller bearings
- Two-Sided catwalk with safety doors and anti-slip ladder rungs
- Standard 18″ form door travel
- Door open locks
- Fork Truck pockets (option)
NEXTGEN Box Forms
 
           
           
          
Explore Our Products
Plastic Spacers and Magnets
Afinitas continues to offer the most extensive line of wheel spacers under its Plaswheel® trademark. Plaswheels® are the most universally accepted spacer available as they can be used for both wire mesh and rebar and are molded in a wide variety of covers.
Forming Systems
Spillman has been a trusted and active member of the precast concrete industry for decades. Together with New Hampton Metal Fabrication, they bring unmatched engineering know-how and experience to producers of a wide range of infrastructure applications.
Resources
Access our videos, case studies and brochures to learn more about the products and services the Afinitas Forming Systems Division, which features New Hampton and Spillman brands, provides to the pipe, precast and prestressed concrete market.

 
				 
          

 English
 English Deutsch
 Deutsch Español
 Español